Mechanical Design Engineer - New Product Development

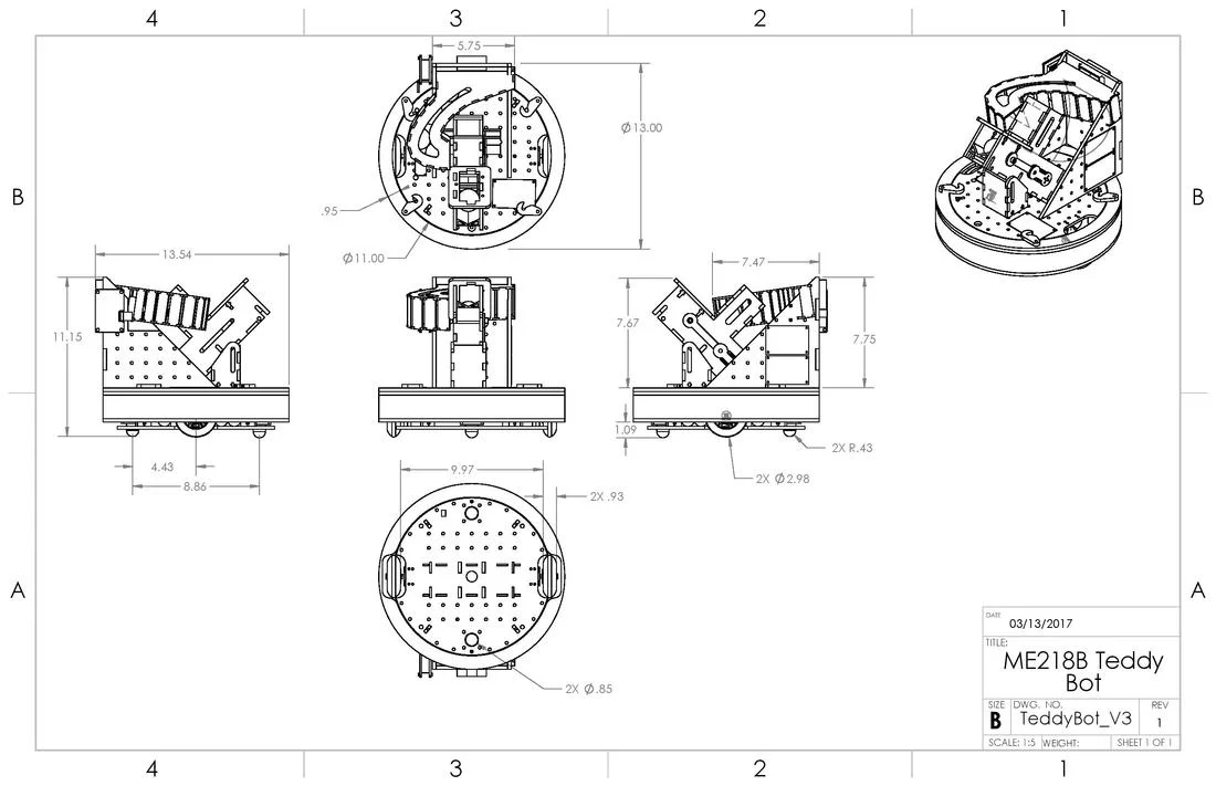
TeddyBot


Autonomous Driving Bot

Mechatronics: Smart Product Design Applications (ME218B)


ME218B. Winter 2017. Drew Bell, Brittany Hallawell, Mihika Hemmady, John Talbot
Uploaded by Mihika on 2017-04-14.

engineering portfolio FOR WEB.002.png
 
Uploaded by Mihika on 2017-03-18.
 

engineering portfolio.007.png

Gallery